联系人:王经理
销售电话:15610293837
销售QQ:2962700085
公司地址:山东省潍坊高新区新城街道玉清社区光电路155号潍坊高新区光电产业加速器(一期)1号楼301
PRODUCT CENTER
联系人:王经理
销售电话:15610293837
销售QQ:2962700085
公司地址:山东省潍坊高新区新城街道玉清社区光电路155号潍坊高新区光电产业加速器(一期)1号楼301
漂浮式水质自动监测站又称水质浮标站,浮标水质监测站,漂浮式水质自动监测站是一种集成了先进传感器技术、数据采集与处理系统、远程通信模块等的高科技设备,能够漂浮在水面上,实时监测水质参数,如溶解氧、pH值、浊度、温度、电导率等,并将数据实时传输至数据中心进行分析和处理。
一、漂浮式水质自动监测站产品简介
漂浮式水质自动监测站又称水质浮标站,浮标水质监测站,漂浮式水质自动监测站是一种集成了先进传感器技术、数据采集与处理系统、远程通信模块等的高科技设备,能够漂浮在水面上,实时监测水质参数,如溶解氧、pH值、浊度、温度、电导率等,并将数据实时传输至数据中心进行分析和处理。
1.水质浮漂监测站SFA集数据采集、存储、传输和管理于一体的无人值守的采集系统。它在工农业生产、旅游、城市环境监测、地质灾害、防洪、供水调度、电站水库水情管理等为目的水文自动测报系统;功能强大的上位机软件可远程观测实时水雨情信息,具有数据库、报表、下载等功能,用户还可利用该功能完善的气象软件对记录的数据作进一步的处理分析。
2.SFA06款浮标是由水质传感器(水温、电导率、PH、溶解氧、氨氮、浊度)、数据采集仪、通讯系统、供电系统、整体 支架、水质监测平台六部分组成。同时可扩展COD、叶绿素、悬浮物等多项水质要素。数据采集仪具有数 据采集、实时时钟、数据定时存储、参数设定和标准2G/4G(GPRS)通信功能。
二、漂浮式水质自动监测站产品特点
1.易部署:各类型探头进行高度集成,安装方便;提供免费云平台服务,系统快速上线;
2.易维护:设备安装后,自行工作即可,无需人工值守,也可以通过远程监控的方式保障设备的正常运行;
3.易扩展:传感器探头均使用统一的通信协议,可以快速对接原设备,快速扩展监测参数;
4.低功耗:设备可以实现低功耗状态下,长时间运行,增加设备使用的便利性;
5.实时性:设备监测到的数据实时传输至云平台,提升环境数据反馈的及时性。
三、漂浮式水质自动监测站技术参数
1. 主体参数
| 产品名称 | 描述 |
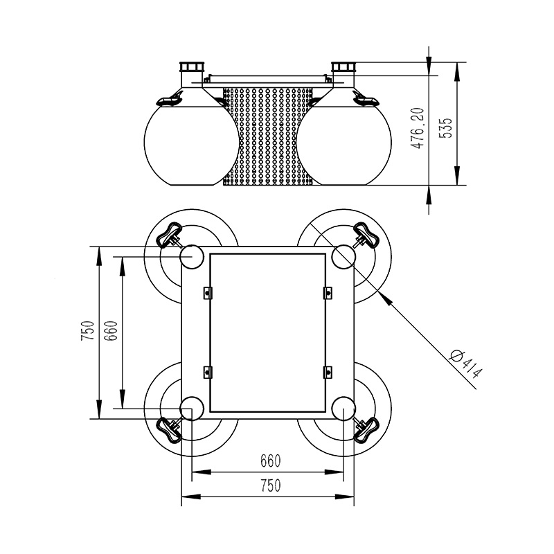
| 环境水质监测浮标 | 可实时实现多路参数在线监测。可实现电池电量监控。可实现云平台数据监控、数据推送、数据的存储和报警功能;数据的无线发射功能。峰值功耗为 5W;传感器功耗 0.25W左右/只。外形尺寸:750mm*750mm*535mm。浮球直径414mm重量:22kg |
| 采集器数据采集 | 运行可靠,抗干扰,可集成多路RS485/MODBUS-RTU从站设备 |
| 采集器数据输出 | 1 路 Rs485/JSON协议输出 |
| 电池 | 锂电池 12VDC,20AH(默认) |
| 太阳能电池板 | 22.1V/50W(默认) |
| 供电能力 | 定制选型;阴雨天间歇工作 5天以上 |
| 位置指示(选配) | 警示灯;GPS 定位; |
| 监测平台 | 云平台;手机/电脑多终端登录 |
| 防护罩 | 304 不锈钢滤筒防护罩 |
| 浮体 | 直径414mm 球形浮体*4工程塑料 |
2.可选配传感器的主要参数
| 序号 | 名称 | 测量范围 | 测量原理 | 测量精度 | 是否标配 | 备注 |
| 1 | 温度 | 0~50℃ | 高精度数字传感器 | ±0.3℃ | ✔ | |
| 2 | pH | 0~14(ph) | 电化学(盐桥) | ± 0.1PH | ✔ | |
| 3 | ORP | -1500mv~1500mv | 电化学(盐桥) | ± 6mv | ||
| 4 | 电导率 | 0~5000uS/cm | 接触式电极法 | ± 1.5% | ✔ | |
| 5 | 浊度 | 0~40NTU(低浊) | 散射光法 | ± 1% | 低浊可定制 | |
| 0~1000NTU(中浊) | 散射光法 | ± 1% | 中浊可定制 | |||
| 0~3000NTU(高浊) | 散射光法 | ± 1% | ✔ | 默认发 | ||
| 6 | 溶解氧 | 0~20mg/L | 荧光寿命法 | ± 2% | ✔ | |
| 7 | 氨氮 | 0~100mg/l | 离子选择电极法 | ±1mg | ✔ | |
| 8 | cod | 0~500mg/ L | UV254 吸收法 | ±5% | 默认发、cod浊度一体;带有自动清洁器,可防止生物附着,避免光窗污染,以保证长期监测依然具有稳定性;可设置自动清洁时间及清洁次数,功耗0.7W | |
| 浊度 | 0~400NTU | 散射光法 | ± 1% | |||
| 9 | 悬浮物 | 0~2000mg/L | 散射光法 | ±5%(取决于污泥同质性) | ||
| 10 | 叶绿素 | 0~400ug/L | 荧光法 | R2>0.999 | 带有自动清洁器,可防止生物附着,避免光窗污染,以保证长期监测依然具有稳定性;可设置自动清洁时间及清洁次数,功耗0.7W |
四、产品尺寸图
五、设备安装要求
1.远离大功率无线电发射源
2.远离高压输电线和微波无线电传送通道
3.尽量靠近数据传输网络
4.远离强电磁干扰
六、云平台介绍
1.CS架构软件平台,支持手机、PC浏览器直接观测.无需额外安装软件。
2.支持多帐号、多设备登录
3.支持实时数据展示与历史数据展示仪表板
4.云服务器.云数据存储,稳定可靠,易于扩展,负载均衡。
5.支持短信报警及阈值设置
6.支持地图显示、查看设备信息。
7.支持数据曲线分析
8.支持数据导出表格形式
9.支持数据转发,HJ-212协议,TCP转发,http协议等。
10.支持数据后处理功能
11.支持外置运行javascript脚本
WX-BGF11光伏发电环境监测系统主要负责对光伏电站的周边环境进行实时监测和数据分析。它涵盖了光照强度、温度、湿度、风速风向、空气质量等多项指标,通过先进的数据采集技术和智能分析算法,为光伏电站的运行提供全面的环境信息支持。光伏发电环境监测系统不仅提高了光伏电站的运行效率和发电质量,还为清洁能源的发展注入了新的动力。···
WX-BZ2孢子捕捉分析系统具备高精度显微成像技术,能够清晰拍摄并显示微小至5微米的孢子形态。这一技术使得系统能够准确捕捉并识别病原菌孢子,为后续的病害分析提供了可靠的图像资料。对于农民而言,了解病原菌的分布和种类是制定有效防控策略的前提。孢子捕捉分析系统通过高精度成像,让农民能够直观地看到农田中的病原菌情况,从而更加精准地定位病害发生区域,有针对性地采取防控措施。···
一、我司全力支持《中华人民共和国广告法》实施的关于违禁词、极限词的使用规定,即日起凡我公司网站内及其他地方涉及的此类用词,一律立即失效,不作为商品描述及公司介绍的依据。二、由于我司成立时间较早,发布信息人员流动性大、时间跨度大,公司网站新闻及产品帖子众多,文案难免涉及到新广告法的敏感词和违禁词。如标···
WX-SQ15可穿戴电子气象仪的设计非常人性化,它通常采用轻便的材质,搭配舒适的表带,无论是佩戴在手腕上还是作为配饰,都能与我们的日常穿搭完美融合。它的外观时尚大方,屏幕清晰明亮,显示的信息一目了然,让我们在忙碌的生活中也能轻松获取天气信息。在功能上,可穿戴电子气象仪更是强大无比。它能够实时监测和显示当前的温度、湿度、气压等气象数据,让我们对当前的天气状况了如指掌。···
WX-NQ14无线农业气象综合监测站采用无线传输技术,将采集到的数据实时传输到用户终端或云端服务器。用户只需通过手机、电脑等终端设备,即可远程监控农田内的气象情况,实现远程管理和控制。这种无线传输和远程监控功能极大地提高了数据获取的便捷性和实时性。该监测站采用高精度的传感器和先进的数据处理算法,确保测量数据的准确性和可靠性。···
WX-TZSQ40土壤水分观测站所收集的数据,通过云计算和大数据分析技术,可以为智慧农业提供有力支持。农民可以通过手机APP或电脑端实时查看农田的土壤湿度、温度等信息,并根据数据分析结果制定更加科学的种植方案。此外,这些数据还可以为农业保险、农产品质量追溯等领域提供重要参考。土壤水分观测站的应用,使得农业灌溉更加精准、高效。与传统的灌溉方式相比,它能够显著减少水资源的浪费,降低能源消耗。···